作業:2014/10 掲載:2014/11/12
こういう回路にした。(クリックで拡大)

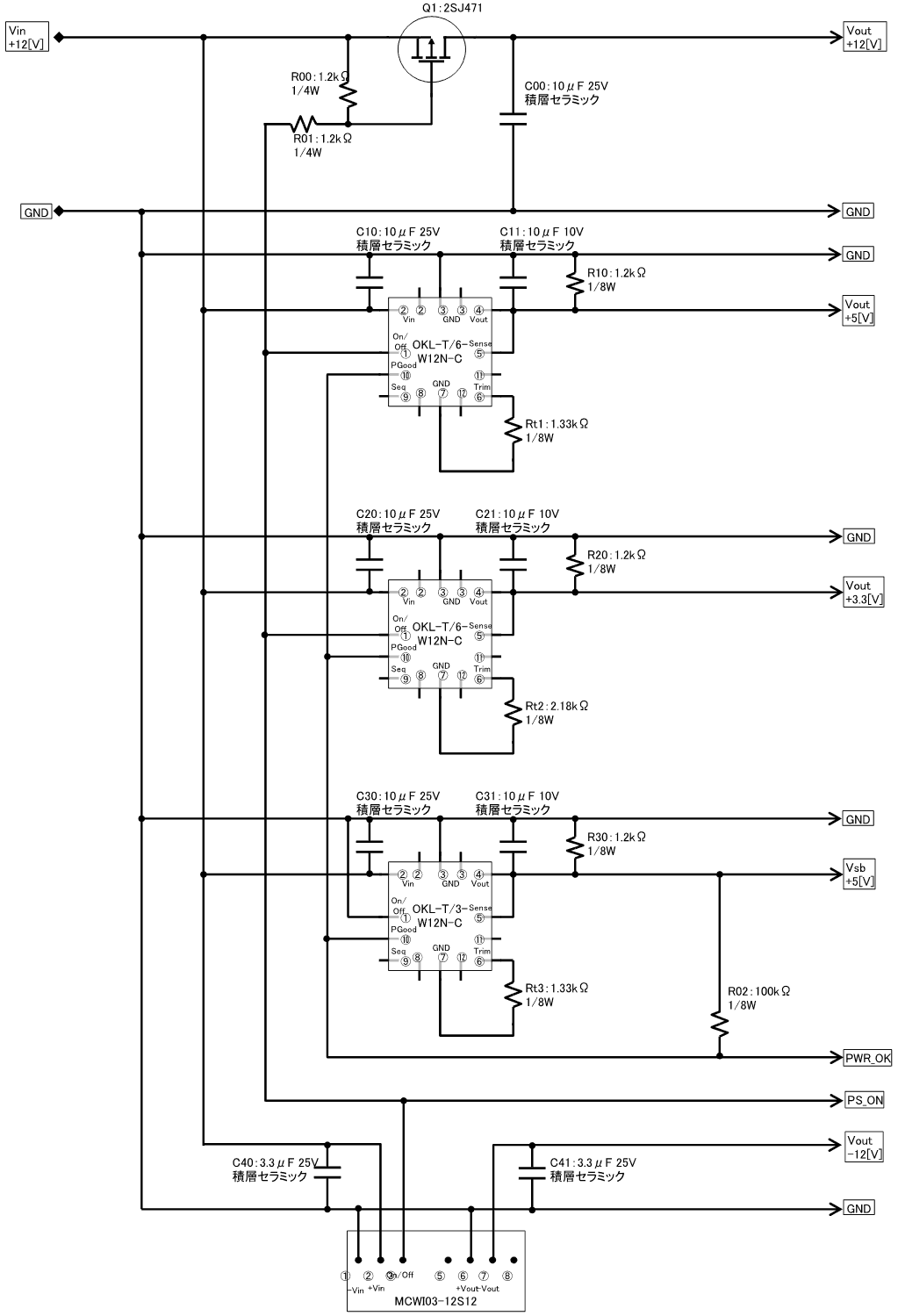
ACアダプタでAC100VからDC12Vを得て、それをDC-DCコンバータで
+5V 6A、+3.3V 6A、+5Vスタンバイ 3A、-12V 250mA、に変換している。
各電流値はモジュールの最大定格である。実際に取り出せる電流は
ACアダプタの能力による制限を受けるので、当然これらより少なくなる。
+12V 出力は、ACアダプタから供給される電圧をそのまま使う。
これをマザーボードからの指令によりOn/Offするスイッチとなるのが
Q1のFETである。
DC-DCコンバータモジュールについては使い方が決まり切っているので、
検討すべきところはほとんど無い。複数のモジュールでOn/Off制御の信号を
共用するために、「On/Off」端子を単純にパラにしたのが気になるくらいだ。
…実は後にコレが心配の種になるのだが。