作業:2014/11 掲載:2014/12/04
前ページで挙げた問題点
(2)+12V がちゃんとOFFできていない。
(3)電源OFF時、PS_ON端子に8[V]以上もの電圧が出ている。→ マザーに悪影響は?
(4)電源ON時、PS_ON端子から 12[V]/(1.2+1.2)[kΩ]=5[mA] もの電流が流れ出す。
→ マザーに悪影響は?
について、もっときれいに解決する方法は何か、考えてみた。
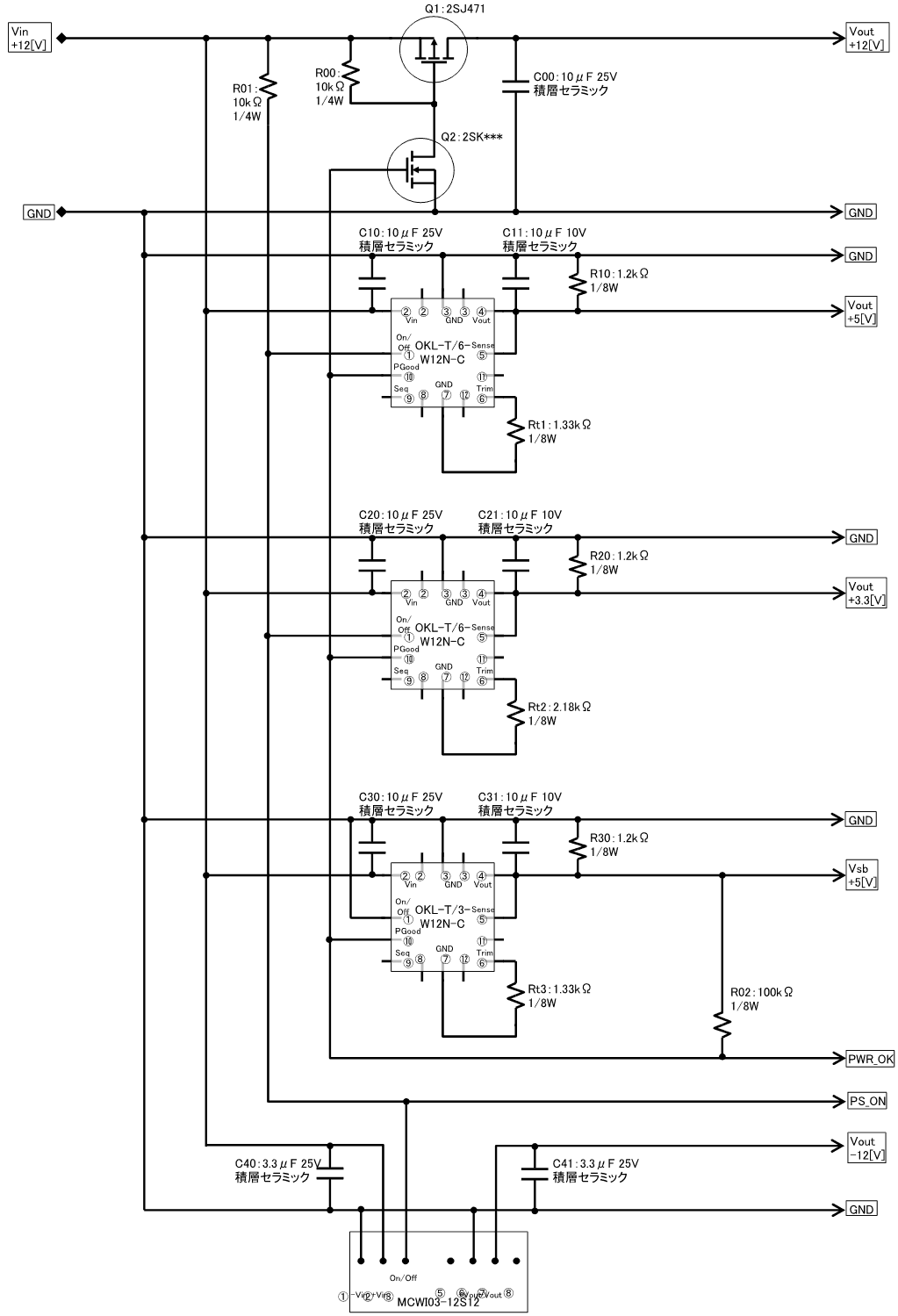
要は、Q1のゲートを、DC-DCモジュールのOn/Off端子と単純にパラにしたため、
Q1に与える VGS にメリハリがつけられなくなっているわけである。
ならばこれらを分離してしまえばよい。そのうえでそれぞれのプルアップ抵抗値を適切に選べば、(3)(4)も改善するはず。
方法はいくつか考えられるが、一例として下図の回路がスマートなやり方かな、と思う。

Q2はNチャネルのMOS FET。小信号用で良いのだが、エンハンスメント型でかつ、
ゲートしきい値電圧は PWR_OK 端子の電圧 3.5[V] に対して充分低い必要がある。
これなら追加部品は FET 1個で済むから、何とかなりそうかな。
…でも気力が尽きたのでとりあえずここまで。